目 录
一、EtherCAT总线产品系统应用
1、EtherCAT通讯问题现场应用指导
本应用指导用于现场EtherCAT通讯问题分析及整改,包含通讯线缆要求,现场布线及EMC整改,软件诊断分析三个部分内容。
1) 通讯线缆要求
EtherCAT通讯线缆的选用对EtherCAT通讯的稳定性有着关键性影响。此前,IS620N系列伺服频报Er.E08故障,通过详细分析排查,发现多数为现场选用了不符合质量要求的EtherCAT通讯线缆所致。
根据EtherCAT通讯规格要求以及工业自动化现场环境考虑,我司推荐EtherCAT通讯线缆使用屏蔽超五类线缆,并通过线缆认证测试。 下图为我司选配件线缆示意图,RJ45端口包含牢固的闩锁,可以有效防止端口松动和拉扯导致的通讯中断。线包由独立铝箔屏蔽和外部编织屏蔽网构成双屏蔽,能够减少工业现场环境中电磁干扰影响。

选购原则:

- 线缆型号


信号定义
线缆订货信息
【注意】:
10m 及以下规格线缆:必须从汇川采购;
10m 以上规格线缆:从海拓采购(联系人:吴烧威,电话:15068132934。
采购指导价:以S6-L-T04-10.0价格为基础,线长每增加1m,价格增加5元。
且与订单数量有一定关系)
2) 现场布线及EMC整改指导
现场布线总体要求:
1. EtherCAT 线缆要求:必须是标准超5 类标准屏蔽线
2. EtherCAT 走线应远离电机驱动线,动力电源线,RST 三相线50cm 以上
3. 线缆屏蔽层和网口接头金属部分必须接触良好,
4. 网线要固定,尤其在端口插拔处不能松动
5. 节点与节点之间必须使用单根完整网线连接,中间不能有转接头
机柜内布线图示指导:
机柜内布线图示指导:
3) 软件诊断分析
故障诊断信息基于倍福ESC ET1100芯片错误计数寄存器,并将计数错误值保存至我司从站设备中从而方便进行判断。 诊断数据参数及汇川产品参数对应关系如下:
| ET1100 寄存器 |
定义 |
汇川产品参数/功能码 |
|
|
IS620N |
SV810/820N |
||
| 0x300 | Port0无效帧计数 CRC校验错误 |
H0C36(L) |
H0E25(L) |
| 0x301 | Port0 RX Errors(Physical Layer) Port0接收错误计数 |
H0C36(H) |
H0E26(H) |
| 0x302 | Port1无效帧计数 CRC校验错误 |
H0C37(L) |
H0E26(L) |
| 0x303 | Port1 RX Errors(Physical Layer) Port1接收错误计数 |
H0C37(H) |
H0E26(H) |
| 0x308 | Port0 Forwarded Error Port0数据转发错误 |
H0C38(L) |
H0E27(L) |
| 0x309 | Port1 Forwarded Error Port1数据转发错误 |
H0C38(H) |
H0E27(H) |
| 0x30C | ESC EPU Error 数据帧处理单元错误计数 |
H0C39(L) |
H0E28(L) |
| 0x30D | ESC PDI Error PDI接口错误计数 ESC与MCU交互错误 |
H0C39(H) |
H0E28(H) |
| 0x310 | Port0 Lost Link Port0 链路丢失计数 |
H0C40(L) |
H0E29(L) |
| 0x311 | Port1 Lost Link Port1 链路丢失 |
H0C40(H) |
H0E29(H) |
| ET1100 寄存器 |
定义 |
汇川产品参数/功能码 |
|
AM600—ECTA AM600—0808 1616ETNE/AM600—4PME 2HCE |
||
| 0x300 | Port0无效帧计数 CRC校验错误 |
3010h:01 |
| 0x301 | Port0 RX Errors(Physical Layer) Port0接收错误计数 |
3010h:02 |
| 0x302 | Port1无效帧计数 CRC校验错误 |
3011h:01 |
| 0x303 | Port1 RX Errors(Physical Layer) Port1接收错误计数 |
3011h:02 |
| 0x308 | Port0 Forwarded Error Port0数据转发错误 |
3010h:03 |
| 0x309 | Port1 Forwarded Error Port1数据转发错误 |
3011h:03 |
| 0x30C | ESC EPU Error 数据帧处理单元错误计数 |
3012h:01 |
| 0x30D | ESC PDI Error PDI接口错误计数 ESC与MCU交互错误 |
3012h:02 |
| 0x310 | Port0 Lost Link Port0 链路丢失计数 |
3010h:4 |
| 0x311 | Port1 Lost Link Port1 链路丢失 |
3011h:4 |
伺服相关数据可以通过按键面板,伺服后台,以及AM600后台SDO读取3种方式查看,AM600 ETC模块通过AM600后台SDO读取查看。为方便统一描述,后续根据ET1100错误计数寄存器地址来描述具体现场处理方法。
4) 案例说明
根据下图组网示意图为例来说明EtherCAT 通讯问题分析处理方法。
AM600 为系统主控制器,通过EtherCAT 通讯连接AM600 ETC 模块和IS620N 伺服,为了方便描述,按照顺序设定从站设备站点别名后续以Node1~Node11 来分别代替从站设备名称。 重要:当网络出现异常或报警后,请保持故障现场采集相关数据,不要将网络直接复位或切回正常运行模式,否则错误计数数据会丢失或破坏导致无法判定故障来源!
当出现通讯错误技术异常时,主要考虑以下几点因素:
1. 通讯网线是否符合屏蔽超五类线缆规格要求;
2. 通讯端口是否存在松动,接触不良等问题;
3. 通讯线缆和设备节点是否受到干扰影响数据传输;
请参考下述案例来分析定位问题出在那个设备或设备段,并根据第2部分现场布线及EMC整改指导,针对现场问题进行整改和优化。
- STEP 1:判断端口链路丢失
读取所有从站设备端口链路丢失寄存器,如果ESC 端口检测到链路丢失,则相关的链路丢失计数器值增加。这种情况可能由于接触不良、不足或者线缆损坏等原因引起。通过读取相应的寄存器可精确定位来自物理介质的干扰。
如下图所示,如发现Node7_0x311 寄存器会有计数增加,且Node8_0x310 同时会有计数增加,且两者数据一致。则证明Node7 和Node8 之间出现端口链路丢失问题。
此时请关注故障设备间端口是否连接出现松动,网线是否满足规格要求。
- STEP 2:判断端口数据CRC 错误
若传入数据数据帧的CRC 校验出现错误,则设备CRC 错误计数器值增加,且忽略该帧数据。根据相邻设备端口CRC 校验错误寄存器计数可以迅速定位故障发生位置。 CRC 错误主要原因:
- 通讯线缆过于靠近电力线缆,从而导致EMC 干扰
-
相关设备未接地或设备通讯端口受到EMC 干扰
请参考布线指导整改和优化现场布线和接地措施。
- STEP 3:判断端口转发错误
当如果损坏的数据帧被标记毁坏,后续的设备收到毁坏标记会忽略该帧中的数据,且增加数据转发错误计数器的值。通过数据转发错误计数也可以推定故障发生的位置。
如下图所示,箭头线标识EtherCAT 数据帧传输过程顺序,当在同一设备段分在帧处理过程和帧回传过程出现数据错误,此时数据端口转发错误计数存在差异,请根据转发错误计数判定出现问题的位置。
如下图,X 代表转发错误次数,0 代表未出现转发错误。
附录:ET1100错误计数寄存器详细说明
| ET1100 寄存器 | 定义 | 分析注释 |
| 0x300 | Port0无效帧计数 CRC校验错误 |
Port0 端口CRC校验错误,包含0x301 RX-ER。 正常情况0x300=0x301,如果0x300>0x301,证明网络中还有CRC校验错误,非以太网帧等问题 |
| 0x301 | Port0 RX Errors(Physical Layer) Port0接收错误计数 | Port0端口RX_ERR。确认位MII接口错误,PHY到ET1100之间错误存在错误(低于Lost Link) 如有计数,代表设备Port0端口收到的帧被破坏。可能原因线缆,PHY端口 |
| 0x302 | Port1无效帧计数 CRC校验错误 |
Port1 端口CRC校验错误,包含0x303 RX-ER。 正常情况0x302=0x303,如果0x302>0x303,证明网络中还有CRC校验错误,非以太网帧等问题 |
| 0x303 | Port1 RX Errors(Physical Layer) Port1接收错误计数 |
Port1端口RX_ERR。确认位MII接口错误,PHY到ET1100之间错误存在错误(低于Lost Link) 如有计数,代表设备Port0端口收到的帧被破坏。可能原因线缆,PHY端口 |
| 0x308 | Port0 Forwarded Error Port0数据转发错误 | 数据转发错误:收到的数据错误且后端添加了额外的错误标记,证明被其它站处理过。 1.本台设备Port0(0x308)和Port1(0x309)相等时,问题不再本站点。 2.问题出在0x308由0->1跳变或0x309由0->1跳变的两台设备之间,其中1有可能是更大的数据。(参考图示) |
| 0x309 | Port1 Forwarded Error Port1数据转发错误 | |
| 0x30C | ESC EPU Error 数据帧处理单元错误计数 |
处理单元错误,基本包含了0x300~0x309的错误,指导意义不大。仅可以判断是否有错,不方便定位问题产生位置。 |
| 0x30D | ESC PDI Error PDI接口错误计数 ESC与MCU交互错误 |
ESC与内部MCU之间数据交互出现异常,正常情况下需一直保持为0。如果计数增加,代表产品单板内部抗扰性异常。 目前市场上应用暂未发现此寄存器错误计数。 |
| 0x310 | Port0 Lost Link Port0 链路丢失计数 |
如果ESC端口检测到链路丢失,则相关的链路丢失计数器值增加。这种情况可能由于接触不良、不足或者线缆损坏等原因引起。 Eg.如果Port0有计数,则问题在本设备与前一台设备之间,如果Port0有计数,则问题在本设备与下一台设备之间。一般都是网线或者接口不良影响。 |
| 0x311 | Port1 Lost Link Port1 链路丢失 |
2、IS620N与SV820N使用差异
1) 通信参数区别
| 参数 | 对比 | 备注 | |
| IS620N | SV820N | ||
| 节点地址 | H0C-00 | H0E-00 | modbus和CAN通信站号 |
| 通信是否写入EERPOM | H0C-13 | H0E-01 | |
| 轴地址 | 无 | H0E-02 | 指一台小多传的第几个轴 |
| EtherCAT从站正名 | H0C-04 | H0E-20 | 倍福、AM600等主站自动分配 |
| EtherCAT从站别名 | H0C-05 | H0E-21 | 欧姆龙NJ等伺服匹配时需要设置 |
| EtherCAT允许从站丢同步阈值 | H0C-35 | H0E-22 | |
| EtherCAT同步误差阈值 | H0C-44 | H0E-32 | |
| CSP位置指令增量过大次数 | H0C-47 | H0E-34 | |
| CSP位置缓存设置 | H0C-45 | H0E-31 | 主站IRQ信号抖动严重时开启此功能 |
| 端口0无效帧及接收错误计数器 | H0C-36 | H0E-25 | |
| 端口1无效帧及接收错误计数器 | H0C-37 | H0E-26 | |
| 端口0/1 转发错误计数器 | H0C-38 | H0E-27 | |
| 处理单元和PDI 错误计数器 | H0C-39 | H0E-28 | |
| 端口0/1 端口丢失计数器 | H0C-40 | H0E-29 | |
| 同步丢失次数 | H0C-34 | H0E-24 | |
| EtherCAT状态机 | H0C-48 | H0E-33 | |
| EtherCAT AL状态码 | H0C-33 | H0E-35 | |
| XML文件版本号 | H0C-32 | H0E-96 | |
2) 各模式下差异点
| 模式 |
差异点 |
对比 |
影响面 |
|
|
IS620N |
SV820N |
|||
| PP | 加速度限制 | 无 | 0x60C5和0x60C6 | 820n更安全,更麻烦 |
| PV | 零速到达 | 无 | 0x6041.bit12为零速到达信号,阈值和时间窗口为0x606F和0x6070 | |
| 加速度限制 | 无 | 0x60C5和0x60C6 | ||
| CSP | 位置环同步 | 有 | 无 | |
| 0x6041 | bit10和bit12始终为1 | |||
| 速度限制 | 0x607F和H0015最小值 | 仅H0015 | ||
| 上位机类型 | H0C-41选择上位机 | H0E-30暂无定义 | ||
| HM | 加速度限制 | 无 | 0x60C5和0x60C6 | |
| 0x6041 | 回零完成时标志位置位的顺序依次是: bit15,bit12,bit10 620N新版本已升级! |
回零完成时标志位置位的顺序依次是: bit12,bit10,bit15 |
上位机要判断本次回零完成而切控制字0x6040,都根据bit10判断即可 | |
| CSV | 0x6041 | bit10和bit12始终为1 | 620n改非标配820n
|
|
| 速度限制 | 0x607F和H0015最小值 | 仅H0015 | ||
| 速度到达 | 没有速度到达功能 | |||
| CST | 0x6041 | 状态字bit10始终有效,状态字bit12始终有效 | ||
| 转矩限制 | 根据H0707选择 | 消了根据H0707选择,只跟6072 60E0 60E1有关 | ||
| 速度限制 | 根据H0717选择 | 取消了根据H0717选择,只跟H0015和607F有关 | ||
| 转矩到达功能 | 有 | 无 | ||
3) 故障码区别
| 故障码 | 故障名称 | 对比 |
备注 |
|
| IS620N | SV820N | |||
| Er.106 | 主处理器通讯异常 | × | ○ | |
| Er.150 | STO保护 | × | ○ | |
| Er.202 | 软启动继电器故障 | × | ○ | |
| Er.760 | 编码器过热 | × | ○ | |
| Er.E20 | 以太网硬件错误 | × | ○ | |
| Er.E21 | 驱动器未烧录MAC地址 | × | ○ | |
| Er.103 | FPGA软件版本过低 | ○ | × | |
| Er.207 | D/Q轴电流溢出故障 | ○ | × | |
| Er.510 | 脉冲输出过速 | ○ | × | 分频输出 |
| Er.770 | 外部编码器标尺故障 | ○ | × | 全闭环功能暂未做 |
| Er.A34 | 编码器回送校验异常 | ○ | × | 总线型编码器 |
| Er.A35 | Z信号丢失 | ○ | × | 总线型编码器 |
| Er.B02 | 全闭环位置偏差过大 | ○ | × | 全闭环功能暂未做 |
| Er.B04 | 全闭环使用错误 | ○ | × | 全闭环功能暂未做 |
| Er.E12 | 网络初始化失败 | ○ | × | |
| Er.A40 | 参数辨识失败 | ○ | × | |
4) 其他差异点
- 停机抱闸
| SV820N | ||
| H0216=0 (不启用抱闸) |
H0216=1 (启用抱闸) |
|
| 伺服使能OFF | 按照0x605C设定停机 | 强制改为零速停机,并切零位固定,详见抱闸时序 |
| 发生NO.2故障 | 按照0x605E设定停机 | |
| 发生NO.1故障 | 按照H0208设定停机 | 强制改为DB停机 |
| IS620N | ||
| 不配置抱闸DO (不启用抱闸) |
配置一个DO为抱闸功能 (启用抱闸) |
|
| 伺服使能OFF | 按照H02-05设定停机 | 强制改为零速停机,并切零位固定,详见抱闸时序 |
| 发生NO.2故障 | 按照H02-06设定停机 | |
| 发生NO.1故障 | 按照H0208设定停机 | 以自由停机(若外接动态制动则与SV820N一致) |
| SV820N | ||||
| 0x605A快速停机 |
|
CSP、CSV、CST、PP、PV、HM、PT |
||
|
0 |
自由停机,保持自由运行状态 |
|||
|
1 |
以6084h/609Ah(HM)斜坡停机,保持自由运行状态 |
|||
|
2 |
以6085h斜坡停机,保持自由运行状态 |
|||
|
3 |
急停转矩停机,保持自由运行状态 |
|||
|
4 |
NA |
|||
|
5 |
以6084h/609Ah(HM)斜坡停机,保持位置锁定状态 |
|||
|
6 |
以6085h斜坡停机,保持位置锁定状态 |
|||
|
7 |
急停转矩停机,保持位置锁定状态 |
|||
| 0x605D暂停 |
|
CSP、CSV、CST |
PP、PV、HM |
PT |
|
1 |
无 |
以6084h/609Ah(HM)斜坡停机,保持位置锁定状态 |
以6087斜坡停机,保持位置锁定状态 |
|
|
2 |
无 |
以6085h斜坡停机,保持位置锁定状态 |
||
|
3 |
无 |
急停转矩停机,保持位置锁定状态 |
||
| IS620N | |||||
| 0x605A快速停机 | PP | CSP | CSV,PV,HM | CST,PT | |
| 0 | 自由停机,保持自由运行状态 | 自由停机,保持自由运行状态 | 自由停机,保持自由运行状态 | 自由停机,保持自由运行状态 | |
| 1 | 以6084h 斜坡停机,保持自由运行状态 | 以 2007-10h 紧急停止转矩停机,保持自由运行状态 | 以6084h(HM:609Ah) 斜坡停机,保持自由运行状态 | 以6087h 斜坡停机,保持自由运行状态 | |
| 2 | 以6085h 斜坡停机,保持自由运行状态 | 以6085h 斜坡停机,保持自由运行状态 | |||
| 3 | 以2007-10h 紧急停止转矩停机,保持自由运行状态 | 以2007-10h 紧急停止转矩停机,保持自由运行状态 | 自由停机,保持自由运行状态 | ||
| 4 | NA | NA | NA | NA | |
| 5 | 以6084h 斜坡停机,保持位置锁定状态 | 以 2007-10h 紧急停止转矩停机,保持位置锁定状态 | 以6084h/609Ah(HM)斜坡停机,保持位置锁定状态 | 以6087h 斜坡停机,保持位置锁定状态 | |
| 6 | 以6085h 斜坡停机,保持位置锁定状态 | 以6085h斜坡停机,保持位置锁定状态 | |||
| 7 | 以2007-10h 紧急停止转矩停机,保持位置锁定状态 | 急停转矩停机,保持位置锁定状态 | 自由停机,保持位置锁定状态 | ||
| 0x605D暂停 | CSP | PP | CSV,PV,HM | CST,PT | |
| 1 | 以 2007-10h 紧急停止转矩停机,保持位置锁定状态 | 以6084h 斜坡停机,保持位置锁定状态 | 以6084h/609Ah(HM)斜坡停机,保持位置锁定状态 | 以6087h 斜坡停机,保持位置锁定状态 | |
| 2 | 以6085h 斜坡停机,保持位置锁定状态 | 以6085h斜坡停机,保持位置锁定状态 | |||
| 3 | 以2007-10h 紧急停止转矩停机,保持自由运行状态 | 以2007-10h 紧急停止转矩停机,保持自由运行状态 | 自由停机,保持位置锁定状态 | ||
- 其他
| 功能 |
差异点 |
对比 |
|
|
IS620N |
SV820N |
||
| 探针 | 可用DI | DI8和DI9 | DI1到DI16 |
| DI端子逻辑 | 必须按照0x60B8设置 | 不用设置 | |
| 探针配置 | 必须将探针无效时配置 | 探针功能有效时:允许更改探针使用DI触发还是Z信号;允许更改使用上升沿还是下降沿触发;允许更改是单次触发还是连续触发,但不可更改具体使用哪一个DI | |
| DI | 数量 | 6低速DI+2高速DI | 16路高速DI+8路低速DI |
| 功能 | 很多很多…… | 6种功能 | |
| DO | 数量 | 3 | 6 |
| 功能 | 很多很多…… | 4种功能 | |
| JOG | DI JOG | 有 | 无 |
| H0D-08位置JOG | 无 | 有 | |
| JOG速度、加速度 | 速度H0603 加速度H0612 |
||
| 分频输出 | 有 | 无 | |
| 全闭环 | 有 | 无 | |
3、AM600+IS620N的常见问题与排障

4、汇川伺服配合倍福的TwinCAT主站的简单配置

二、CANopen总线产品系统应用
1、H3U CANopen功能配合注意事项
1)H3U+步科步进注意事项
- 问题1:【H3U拨码开关由RUN→STOP】
当使用H3U+步科步进,分别执行点动MCJOG、绝对定位MCMOVEABS、相对定位MCMOVREL等CANOPEN运动指令运行时,
此时将H3U拨码拨到STOP状态;步科步进会一直执行运动指令,不会停止运动;
- 问题2:【H3U设置回原偏移位置为非0值】
当使用H3U+步科步进,使用35号回零方式,执行回原指令时,如果设置的回原偏移位置为非0值,触发回原能流后,读取轴当前实际位置,会发现步进实际位置不等于回原指令中设置的原点偏移位置;
- 问题3:【位置模式用MC_STOP和MC_halt都停不下来】
当使用H3U+步科步进,走位置模式,之后用MC_STOP打断,步科停不下来;即位置模式无法使用MC_STOP和MC_halt将轴停止,雷塞的不存在此问题;
2)H3U+雷赛步进DBA882S注意事项
- 问题1:【上电立即回原(方式17),MC_STOP停止后,无法执行其他指令,雷赛步进型号】
上电使能后立即回原,MC_STOP将轴停止,偶尔出现轴无法继续执行其他指令,步科无此问题。
2、AM600 CANopen功能配合注意事项
1)配合汇川IS620P_CO注意事项
- 指令单位说明
IS620P-CO的对象字典轮廓速度模式下目标速度(16#60FF)、轮廓位置模式下的速度(16#6081)、轮廓位置模式下的加速度(16#6083)、轮廓位置模式下的减速度(16#6084)等都不是以脉冲为单位,而PLC运动的功能块所有输入运动参数都是以脉冲为换算单位。因此使用时,需要进行一次换算。
下图为绝对定位功能块,轴设置的缩放比值facter =1:1048576,当执行此功能块时,PLC下发给伺服的目标位置为:500单位* facter (对象字典16#607A),速度、加速度、减速度都为:0.001*facter = 1048.576。

图-CANopen绝对定位功能块
速度、加速度为什么设置这么小?其实功能块设置的值已经比较大了,因为IS620P-CO的速度单位是按照rpm来计算,加速度单位为rpm/ms。上面功能块设置给伺服的速度应该为1048rpm(小数部分丢弃),加减速度都为1048rpm/s(小数部分丢弃),而标准的速度单位都是按照脉冲/秒,加减速度为脉冲/秒^2。所以在使用过程一定的注意单位的换算。

图-IS620P-CO速度、加减速度单位
- 相对定位指令
相对定位功能块,将受控轴运动一段距离,
运动目标位置=功能块执行时刻静止位置+相对距离
如果轴在绝对定位指令运动过程中,启动相对定位指令,运动目标位置=绝对定义的目标位置+相对距离。
注意此处和Ethercat运动控制指令处理不一样。
2)配合步科FM8660注意事项
步科驱动器在运动过程中切换工作模式有时候会导致控制模式写入正常,反馈模式异常。这样导致MC_Stop_CO有时候无法工作。
步科驱动器在未使能的情况不允许切换模式,导致MC_Power_CO无法工作,MC_Power_CO功能块会将当前控制模式切换到轮廓位置控制模式。因为在轮廓速度模式下发生故障,导致使能断开,如果复位故障再次使能后,轴会以上次的设置目标速度重新自动运转。为了避免此现象的发生,功能块才做了上面的处理。
步科驱动器的轮廓速度、加速度、减速度、目标速度都不是标准的单位,使用之前需要进行对功能块的输入参数进行单位转换。转换方法请参考IS620P-CO。
三、CANlink总线产品系统应用
1、H3U CANLink轴控指令新老版本差异
H3U CANLink轴控指令目前仅支持与IS620P配合使用。
1)H3U指令
| 名称 | 描述 | 老轴控指令 | 新轴控指令 |
| AXISENAB | 使能 | √ | √ |
| AXISSTOP | 停止 | √ | √ |
| AXISESTOP | 急停 | √ | √ |
| AXISALMRST | 报警复位 | √ | √ |
| AXISDRVA | 绝对位置定位 | √ | √ |
| AXISDRVI | 相对位置定位 | × | √ |
| AXISJOG | 点动 | √ | * |
| AXISJOGA | 点动 | √ | √ |
| AXISZRN | 原点回归 | √ | * |
| AXISZRNA | 原点回归 | × | √ |
| AXISSETPOS | 设置当前位置 | × | √ |
| × | 不支持 | ||
| √ | 支持 | ||
| * | 保留支持,不对外宣称 | ||
2)伺服功能码设置
| 功能码 | 功能 | 老轴控指令 | 新轴控指令 |
| H02-00 | 控制模式 | 1 | 1 |
| H03-10 | DI5功能 | 0 | 0 |
| H05-00 | 主位置指令 | 2 | 2 |
| H05-30 | 原点复归使能控制 | 预设 | 通讯设置 |
| H05-31 | 原点复归模式 | 预设 | 预设 |
| H05-32 | 高速的原点复归速度 | 预设 | 通讯设置 |
| H05-33 | 低速的原点复归速度 | 预设 | 通讯设置 |
| H0C-09 | 通信VDI | 1 | 1 |
| H0C-11 | 通信VDO | 0 | 1 |
| H0C-13 | 功能码是否写入EEPROM | 0 | 0 |
| H0C-15 | CAN通信协议 | 0 | 0 |
| H11-00 | 多段位置运行模式 | 1 | 5 |
| H11-01 | 段数选择 | 1 | 1 |
| H11-04 | 位移指令类型 | 1 | 通讯设置 |
| H11-05 | 循环运行起始段 | 1 | 1 |
| H11-16 | 第一段完成后的等待时间 | 0 | 0 |
| H17-00 | VDI1:S-ON (伺服使能) | 1 | 1 |
| H17-01 | VDI1:电平触发 | 18 | 0 |
| H17-02 | VDI2:JOGCMD+(正向点动) | 19 | 18 |
| H17-03 | VDI2:电平触发 | 28 | 0 |
| H17-04 | VDI3:JOGCMD-(反向点动) | 32 | 19 |
| H17-05 | VDI3:电平触发 | 34 | 0 |
| H17-06 | VDI4:PosInSen (多段位置指令使能) | 2 | 28 |
| H17-07 | VDI4:电平触发 | 0 | 0 |
| H17-08 | VDI5:HomingStart (原点复归使能) | 32 | 32 |
| H17-09 | VDI5:电平触发 | 0 | 0 |
| H17-10 | VDI6:EmergencyStop (紧急停机) | 34 | 34 |
| H17-11 | VDI6:电平触发 | 0 | 0 |
| H17-12 | VDI7:ALM-RST(故障与警告复位) | 2 | 2 |
| H17-13 | VDI7:电平触发 | 0 | 0 |
| H17-14 | VDI8:中断触发信号 | × | 38 |
| H17-15 | VDI8:边沿触发 | × | 1 |
| H17-16 | VDI9:告知伺服写入了数据 | × | 39 |
| H17-17 | VDI9:边沿触发 | × | 1 |
| H17-18 | VDI10:清除指令/定位完成标志 | × | 40 |
| H17-19 | VDI10:电平触发 | × | 0 |
| H17-33 | VDO1:零速信号 | 使用DO端子默认功能,不使用VDO | 3 |
| H17-34 | VDO1:有效时输出1 | 0 | |
| H17-35 | VDO2:定位完成 | 5 | |
| H17-36 | VDO2:有效时输出1 | 0 | |
| H17-37 | VDO3:故障 | 11 | |
| H17-38 | VDO3:有效时输出1 | 0 | |
| H17-39 | VDO4:原点回零完成 | 16 | |
| H17-40 | VDO4:有效时输出1 | 0 | |
| H17-41 | VDO5:电气回零完成 | 17 | |
| H17-42 | VDO5:有效时输出1 | 0 | |
| H17-43 | VDO6:内部指令输出 | 22 | |
| H17-44 | VDO6:有效时输出1 | 0 | |
| H17-45 | VDO7:允许触发39有效 | 23 | |
| H17-46 | VDO7:有效时输出1 | 0 |
2、H3U新轴控指令使用说明

3、兼容情况说明
具体兼容情况如下:
1、H3U老版本(26306-B004之前)配合IS620p,只能使用老的轴控指令,若IS620p为非标版本,需手动配置功能码适应老版本;
2、H3U新版本(26306-B004及之后)配合IS620p,老的和新的轴控指令都可以使用。通过判断H11-00自动识别伺服版本情况,若是IS620p新版本,按新轴控指令处理;若是IS620p标准版本,按老轴控指令处理。
4、鸣志CANopen步进配合H3U问题及使用说明
一、测试说明:
H3U版本:HCPLC_H3U_V24308-0000
鸣志CANopen步进型号:MSSTB05-C
鸣志电机型号:AM17HD6426-06N
测试内容:

-
问题总结
问题1:指令单位不统一(可通过程序处理)
鸣志步进中单位换算为圈,与我们的伺服计算方法不同。鸣志步进距离相关的对象字典(如607A),单位为step;速度相关的对象字典(如607F),需要乘以0.0042(等同于除以240);加速度相关的对象字典,需要乘以0.1667(等同于除以6);汇川技术的伺服,单位统一为step。此问题导致,想要同时实现PP、PV、HM模式,需要在程序中进行一系列的单位换算(第四节会有说明)。
问题2:DI无法一一对应(影响状态机判断,不影响使用)
鸣志步进的DI信号说明在7003H,为16位参数。其bit1/2/3为正、反限位与零点信号,而H3U后台默认DI的对象字典为32的60FDh,且bit0/1/2为正、反限位与零点信号,因此相关的信号判断不可取。
问题3:相对绝对位置模式在立即刷新模式下无法正确切换(无法规避,无法使用该模式)
立即刷新模式下,运行中相对位置指令写入新的绝对位置指令,触发后运行的还是相对位置指令;绝对位置指令写入新的相对位置指令,触发后运行的还是绝对位置指令。但是相对位置切换相对位置,或者绝对位置切换绝对位置是正确的。
注:鸣志CANopen步进速度相关的对象字典,实际位数为16位,而不是手册上说的32位,使用时验证后再使用。
-
相关配置
-
后台导入鸣志MOONS CANopen步进的eds文件,moons官网上可以下载到。
-
接收PDO如图配置:

-
发送PDO配置如图:

其中红框圈中的,是因为鸣志的对象字典中没有DI信号60FDh,因此选择一个32位的数据位填充(该数据位应当是恒为0,否则会触发限位和原点)。
-
PDO属性均设置为同步模式:

-
单位转换界面:

此处单位换算中,一周的行程距离正常设置,图示为10mm,旋转一周的脉冲设置为1,有利于单位统一(参照鸣志的问题1),第四节使用说明会有解释。
-
回原设置界面:

回原方式需要参照鸣志步进CANopen手册使用,相关单位参见第四节。鸣志不支持回原超时时间,故无法设置。
-
其他设置与我们的产品没有任何区别。
-
使用说明
这一章节主要说明一下指令的单位转换。
1、以汇川伺服为例:
其位置、速度、加速度相关的对象字典的单位均为step单位。假设步进电机的单圈脉冲为20000 step,设置用户单位单圈为10mm,则在位置指令MCMOVABS、MCMOVREL中,设定目标位置为1,607A=1*20000/10=2000,实际位置为0.1圈;在速度指令MCMOVVEL中,加减速设定为10、目标速度设置为100,则60FF=20000,6083/4=200000,分别为1rps和10rps/s,回原模式的高低速同速度模式的设置。也就是说,汇川伺服的对象字典的数值,换算的时候,都是除以单圈脉冲数20000step的。
2、但是鸣志的步进,单位转换见下表。

除位置相关对象字典单位与汇川的一致外,速度、加速度、电流均不一致。继续上面的例子,如果鸣志的步进单位界面设置如下图:

则在位置指令MCMOVABS、MCMOVREL中,设定目标位置为1, 那么写入607A=1*20000/10=2000,实际位置为0.1圈;在速度指令MCMOVVEL以及MCMOVABS、MCMOVREL的速度设定中,加减速设定为10mm、目标速度设置为100,即60FF/6081=100*20000/10=200000,6083/4=10*20000/10=20000。但是鸣志的单位和我们的不一样,其实际单位会是:速度velocity=200000*0.0042=833.3RPS=50000rpm,加速度为20000*0.1667=3333.3rps/s=200000RPM/S,回原速度同理,这样电机一旦运行就会报超速。
因此在使用过程中,建议将单位设置界面的单圈脉冲数设置为1,自己在程序中进行数值换算。

参照上图的配置,
假如想实现目标位置为1000mm、运行速度为100m/s、加减速为1000mm/s²,因为鸣志会对速度乘以0.0042,加速度乘以0.1667,那么我们在处理的时候,除以0.0042和0.1667。我们要让607A =1000*20000=20000000, 6081=100/0.0042=24000,6083/4=
1000/0.166=6000。程序中的处理如下图:

那么每次运行的时候,用户单位直接给到D2000、D2008、D2012,相应的做*20000/19、/0.0042、/0.1667处理即可。
这样也就不难理解,回原设置界面中:

因为单圈脉冲数设置为1,用户单位为10mm,则此处的返回速度设置2400mm/s,写入6099-1=2400*1/10=240,再乘以0.0042,则实际转速为1rps。
通过以上配置和单位转换,可以正常使用鸣志步进。
5、H3U-Co&研控步进组网操作指导
一、测试版本说明
测试基于:
汇川H3U:24308-0000、后台软件版本:V3.01、FPGA版本:H3U_FPGA38305_000。
研控CANopen步进:YKD2405PC:V1.4。
需要注意的是,研控步进版本号在V1.3及以前版本与H3U未做兼容处理,所以无法成功CANopen通讯,购买时请先确认版本号与兼容性。
二、研控步进主要问题
1、回原问题
研控状态字反馈6041与CIA402标准协议的定义不一致,在回原模式下CIA402定义bit13为回零出错标志位,研控定义为使能标志位,导致的问题是,调用回原指令一切换就会报出错误码11,原点回归失败故障。(已联系研控更改处理)。
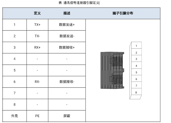
2、RJ45定义问题

上图为CIA303标准定义网口,汇川使用1、2、3引脚代表CAN_H、CAN_L、CGND,研控未按照CIA303标准定义网口引脚,研控从上图来看,使用了8、7、4引脚代表CAN_H、CAN_L、CGND。(此问题研控无更改计划)
3、支持回原模式少
1、运动模式仅支持三种:1/3/6(轮廓位置/轮廓速度/回原模式)。
2、回原模式仅支持四种:17/18/24/29。
4、X与Y端子输入电压问题
直接使用PLC供电是24V,研控YKD2405PC输入为5V,若需直连24V输入,需要购买YKD2405PC—A1型,标准型超过5V供电时需要串接限流电阻,+5V时:R=0;+12V时:R=1KΩ;+24V时:R=2KΩ。
5、温升问题
1.1A电流情况下,保持使能状态一天,电机温升较高,在50℃以上。
6、步进电机旋转方向问题
按照手册接线,默认顺时针为正方向,逆时针为负方向,且无法通过后台软件设置来更改旋转方向。
7、端子电平逻辑问题
虽然有相关厂家参数,但是电平逻辑反转无效,研控2030h-01设置高低电平有效功能无效,无法操作SDO进行读写操作(V1.4版本)。
三、操作流程
1、导入EDS文件
研控官网版本(V1.3)与汇川H3U不兼容,需要联系研控确认兼容版本,测试使用V1.4版本。

2、修改站号与波特率
H3U默认波特率为500Kpbs,63为H3U主站站号。

拨码设定研控步进从站地址:
研控步进拨码说明:

地址设定SW1-SW5:

波特率设定SW6-SW7:

举例:
若研控步进站号为1,波特率默认500Kpbs,无终端电阻,则将SW1与SW5置ON,其余置OFF。
后台设定研控步进从站地址:
组网或者站号超过32个时,推荐H3U主站站号和波特率使用后台设置,操作研控步进对象字典2008h来写站点站号。
3、RPDO与TPDO配置说明
RPDO配置:

TPDO配置:

4、轴参数配置
H3U-CANopen指令默认是用户单位,后台会将用户单位转化为脉冲/编码器单位给从站。
研控步进的对象字典参数如转速6081h(rpm)/加速度6083h(ms)/减速度6084h(ms)等都有对应单位设置,所以缩放比可以设置为1:1,这种情况下默认细分参数1000p/r,给1000指令单位,步进转动1圈,若设置缩放比为1000:1,则1指令单位步进转动1圈。

轴回零参数设置,注意回原方式,研控只支持4种:

研控步进细分参数,默认1000细分:

步进电流需要合适档位,不然会有发热严重(电流过大)或者运行抖动比较大(电流小转矩不足)的现象:

转载请注明:燕骏博客 » 汇川技术通信总线产品应用笔记
赞赏作者
微信赞赏
支付宝赞赏